Spedizione in 24/72H
|
Assistenza clienti
+393332686194
Chiudi ricerca
Mostra
Ordina per
Categorie:
Categorie:
REGALI DI NATALE
OFFERTE SPECIALI
ORMEGGIO E ANCORAGGIO
Ancore per Barche
Ancore in Acciaio Zincato
Ancore in Acciaio Inox
Ancore in Lega di Alluminio
Ancore Galleggianti
Catene
Catene Calibrate
Catena Lunga Tipo Genovese
Accessori per Catene da Ancoraggio
Sistemi Cima Catena
Kit Ancoraggio - Package
Accessori per Ancoraggio
Bitte e Passacavi
Ferma Ancore e Accessori Ancore
Giunti a snodo per ancora
Grilli e Moschettoni
Molle per Ormeggio Barca
Musoni di Prua
Verricelli e Salpa ancore
Salpa Ancore Lofrans
Accessori e Ricambi Per Verricelli Salpa Ancore Lofrans'
Salpa Ancora Mz Electronic
Accessori e Ricambi per Verricelli Salpa Ancora Mz Electronic
Salpa Ancore Verricelli Quick
Accessori e Ricambi Per Verricelli Salpa Ancore Quick
Salpa Ancore Maxwell
Accessori e Ricambi Salpa Ancora Maxwell
Argani Manuali e Elettrici per Uso Nautico
Salpa Ancora Lewmar
Accessori e Ricambi Salpa Ancora Lewmar
Eliche di Manovra per Prua o Poppa
Eliche di Manovra Max Power
Accessori, Comandi Elica di Manovra Max Power
Eliche di Manovra Quick
Accessori, Comandi Elica di Manovra Quick
Eliche di Prua e Manovra Vetus
Accessori, Comandi Elica di Manovra Vetus
Eliche di Prua Lewmar
Eliche di Manovra Craftsman
Cime Nautica e Accessori Cime
Cime Ormeggio e Corde Nautica
Cime Ormeggio con Redance
Accessori per Cime Nautiche da Ormeggio
Trecce Varie e Moschettoni Nylon
Cime Parabordi
Fasce Puntapiedi, Fibbie
Corde Elastiche e Ganci
Cime Galleggianti e Avvolgicima
Rullo Avvolgicima
Boe e Parabordi
Parabordi Polyform
Parabordi Majoni
Parabordi Dock Edge
Parabordi Plastimo
Parabordi Castro
Copriparabordi
Copriparabordi in Neoprene
Boe e Gavitelli
Parabordi di Prua e di Poppa, Profili Paracolpi
Portaparabordi e Accessori per Parabordi
Parabordi No Brand
Bottazzi e Profili Parabordi
Profili Pontili
Profili Parabordo Tessilmare
Profilo Sphaera Tessilmare
Profilo Radial Tessilmare
Profilo Bino Tessilmare
Profilo parabordo TR
ATTREZZATURE E FERRAMENTA NAUTICA
Scale e Plance
Scalette di Poppa e Prua
Scalette per Sub
Scalette per Barche a Vela
Scalette per Gommoni
Accessori e Ricambi per Scalette Nautiche
Plancette di Poppa
Supporti per Motori Fuoribordo
Supporti Motore Per Plancette
Supporti Motore a Ribalta e a Pantografo
Passerelle
Passerelle Fisse
Passerelle Pieghevoli e Telescopiche
Accessori e Ricambi per Passerelle
Passerelle Idrauliche
Bandiere, Aste e Adesivi
Aste Portabandiera
Basi Per Aste Portabandiera
Bandiere Nazionali di Navigazione
Segnali, Codici e Tabelle Adesive
Lettere e Numeri Adesivi
Portacanne e Accessori
Portacanne Ottone, Acciaio, Plastica, Alluminio
Accessori e Ricambi per Portacanne da Barca
Mezzi Marinai
Remi e Pagaie
Capottine Tendalini, Coperture e Teli per Barche
Capottine Tendalini
Accessori Tendalini e Capottine per Imbarcazioni
Coperture e Teli per Barche
Ventilatori, Griglie e Prese D'Aria
Elettroaspiratori e Ventilatori
Griglie Prese Aria Acciaio Inox
Griglie Prese Aria Plastica
Maniche a Vento
Passamani Tientibene Pulpiti Tenditori
Passamani Tientibene
Tenditori e Accessori
Basi Supporti Tubi Pulpiti
Cesoie e Pinze Impiombature
Candelieri e accessori
Scalmi e Clips
Roll Bar e Gruette
Serbatoi Taniche e Tappi Imbarco
Sportelli, Oblò, Boccaporti, Molle a Gas e Oscuranti
Oblò, Boccaporti e Passi Uomo
Sportelli e Portelli Calpestabili
Molle a Gas, Campassi e Attuatori
Botole, Vani e Tappi di Ispezione
Tende Per Oblò e Boccaporti OCEANAIR
Catenacci, Fermaporte, Chiusure e Cerniere
Catenacci Inox, Ottone, Nylon
Fermaporte in Acciaio Inox e Ottone
Chiusure in Acciaio Inox e Ottone
Alzapaglioli in Acciaio Inox, Ottone o Nylon
Cerniere Inox Ottone Nylon
Cilindri, Lucchetti e Serrature
Cilindri Serrature
Lucchetti Inox
Serrature, Porte, Maniglie, Ante, Cassetti e Cassaforti
Cavallotti, Ponticelli, Golfari
Cavo Parafil Inox, Redance, Tenditori
Viteria Inox
Fascette Stringitubo
Ganci e Appendiabito
Finto Teak
ELETTRODOMESTICI IDRAULICA SANITARI
Pompe Sentina, Autoclavi per Barca
Pompe FEIT
Pompe Autoclavi GIANNESCHI
Pompe Marco SPA Italy
Pompe Nautiche Flojet, Jabsco e Rule
Pompe Johnson Pump
Pompe TMC
Pompe Attwood
Pompe Whale
Pompe Seaflo
Pompe Shurflo
Pompe Sentina Economiche
Pompe Autoclavi
Pompe Autoadescanti
Pompe Aeratrice Pescato
Pompe Autoclavi ANCOR
Pompe Manuali
Pompe per Travasi e Lavaggio Coperta
Accessori e Ricambi per Pompe Nautiche
Interruttori Pompe Sentina e Pannelli di Controllo
Interruttori per Pompe Sentina
Pannelli di Controllo
Maceratori WC - Pompe Scarico
Wc Manuali ed Elettrici
WC Elettrici
WC Manuali
WC Portatili
Kit Trasformazione WC
Accessori WC Manuali ed Elettrici per Imbarcazioni
Giranti per Motori e Pompe
Giranti Originali Jabsco
Pompe Raffredamento Motore ANCOR
Pompe Trasferimento Olio e Gasolio
Pozzetti di Raccolta
Raccorderia Idraulica
Raccorderia in Bronzo
Raccorderia in Ottone
Raccorderia in Acciaio Inox
Raccorderia in Polipropilene e Polietilene
Valvole e Elettrovalvole
Filtri Acqua
Rubinetteria
Rubinetti e Miscelatori per Imbarcazioni
Docce e Doccette per uso nautico
Tubi, Contenitori e Accessori per Doccette
Valvole, Portagomma, Passascafi e Raccordi TRUDESIGN
Scarichi e Ombrinali in Nylon
Scarichi e Ombrinali in Ottone Inox
Scaldabagni e Boiler Marini Nautici
Dissalatori Marini
Impianti Aria Condizionata per Imbarcazioni
Deumidificatori per Imbarcazioni
Elettrodomestici
Ghiacciaie Igloo
Ghiacciaie Icey-Tek
Frigoriferi Vitrifrigo
Frigoriferi Indel B Webasto Marine
Frigoriferi Dometic Coolmatic
Frigoriferi, Congelatori, Fabbricatori di Ghiaccio
Lavelli Lavandini
Fornelli Piano Cotture Cucina
Barbecue per Imbarcazioni e Accessori
Serbatoi Acque Nere e Grigie
Serbatoi Acque Chiare
Raccordi Rapidi Ottone Nylon e Succhieruole
Tubi Tubazione Acqua
Tubi Acque Chiare
Tubi Acque Nere e Grigie
Tubi Acqua Calda
Attacchi Rapidi Innesto Acqua
Secchi e Sessole
Tappi ad Espansione e Aleggio
Pompe Meccaniche a Trascinamento con Puleggia
Pompe SPX Johnson per Raffreddamento Motori
RIMESSAGGIO E MANUTENZIONE
Olii e Lubrificanti
Olio Motori Marini
Olio Idraulico
Grassi e Protettivi
Anticorrosivi e Additivi per Imbarcazioni
Lubrificanti Detergenti
Assorbenti per Olio e Carburante
Olio, Grasso e Additivi BARDAHL
Colle e Adesivi
Sigillanti e Adesivi
Colle e Kit di Riparazione
Nastri Adesivi
Rivestimenti per Imbarcazioni
Vernici e Pitture
Vernici Spray
Vernici per Legno
Diluenti
Pennelli e Accessori
Primer, Fondi e Smalti
Vernice Gelcoat
Resina Epossidica
Antivegetative
Kit Pittura Antivegetativa
HEMPEL Antivegetativa
PROSPEED Antivegetativa Siliconica
AEMME COLORI Antivegetativa per Imbarcazioni
MARLIN Antivegetativa
VENEZIANI Antivegetativa
OSCULATI Antivegetativa
BOERO Antivegetativa
Anodi e Zinchi
Anodi Sacrificali per Scafi
Anodi Sacrificali per Motori
Kit Anodi Zinchi Motori
Anodi e Zinchi Nautici per Anticorrosione
Pulizia Barca e Gommoni
Pulizia del Teak
Detergenti e Pulitori
Cere, Protettivi e Lucidanti
Accessori per Pulizia Barca
Prodotti Pulizia StarBrite
Prodotti SHURHOLD
Prodotti TBRITE
Prodotti Pulizia e Manutenzione 3M
Prodotti Pulizia Deck Mate
Prodotti Pulizia Euromeci
Prodotti Pulizia TK LINE
Prodotti Pulizia IOSSO
Prodotti Pulizia Clin Azur
Carrelli, Puntelli, Accessori
Carrelli Barca Gommone
Tacchi Puntelli Cavalletti
Accessori e Ricambi per Carrelli Nautici
Viteria
Fasce di Sollevamento
ELETTRICA E SEGNALAZIONE
Batterie, Inverters e Caricabatterie
Batterie Resistenti per Imbarcazioni
Accessori per Batterie Barche e Gommoni
Staccabatterie
Inverter e Caricabatterie
Regolatori di Carica e Batterie Portatili
Pile Alcaline DURACELL
Interruttori e Prese
Prese, Spine, Cavi Banchina MARINCO
Prese, Spine, Cavi Banchina
Prese, Spine Cavi Banchina HUBBEL
Interruttori e Spie
Prese e Spine
Passacavi in Acciaio, Ottone, Nylon
Fanali di Navigazione
Fanali Aqua Signal
Fanali Hella Marine
Luci di Navigazione Osculati
Luci di Navigazione
Fanali DHR
Luci Subacquee e Fari Coperta
Fari Subacquei
Fari Subacquei BlueFin
Fari Subacquei Quick
Plafoniere e Faretti Interno
Plafoniere
Faretti da Interno
Faretti Led Quick
Lampade Elettriche OLD STYLE
Strip Led
Proiettori Fissi, Manuali, Telecomandati
Fari Orientabili a Distanza
Luci di Cortesia
Luci di Cortesia Quick
Lampadine di Ricambio
Lampadine Alogene
Lampadine LED
Lampadine a Incandescenza
Trombe per Uso Nautico
Torce Impermeabili e Subacque
Pannelli Elettrici
Pannelli Solari per Imbarcazioni
Tergicristalli Bracci e Spazzole
Generatori e Gruppi Elettrogeni
Generatori MASE
Generatori VTE Paguro
Generatori ENEON
Cavi Elettrici
Faston, Capicorda, Fusibili, Portafusibili
Guaine, Calze Trecciate, Spirali
Indicatori Digitali
Sensori Temperatura e Pressione
STRUMENTAZIONE ED ELETTRONICA
Carte Nautiche e Portolani
GPS Navigatori Ecoscadagli
Ecoscandagli e GPS Lowrance
Ecoscandagli Raymarine
Ecoscandagli Chartplotter GARMIN
GPS Navigatori Nav-Station
Strumentazione SIMRAD
Strumentazione VDO
Strumentazione Furuno
Cartografia Elettronica GPS
Trasduttori, Black Box, Cavi di Collegamento
GPS Portatili
Radio VHF e Antenne
Radio VHF Portatili e Fissi Cobra Marine
Radio VHF Garmin
Radio VHF Portatili e Fissi I-COM
Radio VHF Portatili e Fissi Standard Horizon
Radio VHF Raymarine
Radio Stereo Marine KICKER
Radio Stereo Nautici
Epirb e AIS
Antenne VHF e GPS
Antenne Satellitari, Antenne TV
Stereo e Subwoofer Fusion
Altoparlanti
Strumentazione Meteorologica
Strumentazione Barigo
Strumenti di Bordo Autonautic
Segnavento Windex e Anemometri
Strumentazione Metereologica JDC
Binocoli Nautici Professionali per Osservazione Marittima
Indicatori e Strumenti di Livello
Indicatori e Strumenti VDO OCEAN LINE
Indicatori e Strumenti VDO VIEW LINE
Sensori Carburante e Acqua VDO
Indicatori e Strumenti FARIA INSTRUMENTS
Indicatori e Strumenti CRUZPRO
Strumentazione Uflex
Bussole per Uso Nautico
Bussole RIVIERA
Bussole PLASTIMO
Bussole AUTONAUTIC
Telecamere e Video
Allarmi Tracker Sistemi Satellitari
SICUREZZA E DOTAZIONI DI BORDO
Giubbotti di Salvataggio
Giubbotti di Salvataggio - Autogonfiabili
Giubbotti Aiuto al Galleggiamento
Ricambi e Accessori per Giubbotti di Salvataggio
Cinture di Sicurezza e Banzighi
Segnali
Estintori
Cassette Pronto Soccorso
Kit Completo Dotazioni di Sicurezza
Zattere e Tender
Tender Eurovinil
Tender Arimar
Zattere Eurovinil
Zattere Arimar
Zattere Lalizas
Tender Gibsy
Tender CIMATECNIC
Tender Plastimo
Zattere Plastimo
Accessori per Tender e Gommoni
Accessori per Zattere e Selle
Gonfiatori e Compressori
Manoverboard e Aste IOR
Abbigliamento Tecnico e di Protezione Nautica
Abbigliamento per il Tempo Libero in Barca
Abbigliamento Tecnico Musto
Borse Musto
Cappelli Calze e Guanti Musto
Scarpe Musto
Abbigliamento Tecnico Helly Hansen
Abbigliamento da Lavoro Helly Hansen
Cappelli e Guanti Helly Hansen
Borse Helly Hansen
Scarpe e Stivali Helly Hansen
Scarpe e Stivali Orca Bay
Scarpe Jobe
Coltelli
Contenitori e Valigie Stagne
Mute
Salvagenti Anulari e Accessori
Salvagenti Anulari e Baywatch
Accessori per Salvagenti
Boette di Segnalazione Luminosa per Imbarcazioni
MECCANICA, MOTORI E SISTEMI DI GUIDA
Timonerie e Sistemi di Guida
Timonerie Idrauliche Entrobordo Vetus
Timonerie Idraulica Fuoribordo MAVIMARE
Timoneria Idraulica Ultraflex
Timoneria Idraulica Multiflex
Timoneria Idraulica Seastar Dometic
Timonerie e Strumenti di Controllo Lewmar
Ruote Timoni e Volanti
Flaps e Barre Timone
Timonerie Meccaniche e Monocavi
Accessori per Timonerie Idrauliche
Accessori per Sistemi di Guida
Scatole Comando Timonerie
Cavi Telecomandi per Controllo Motore
Idroali Pinne e Piastre Trolling
Motori Elettrici Fuoribordo
Accessori per Motori Elettrici Fuoribordo
Motori Fuoribordo Elettrico
Filtri Motore, Carburante, Decantatori e Separatori
Filtri Gasolio e Cartucce
Filtri Olio e Cartucce
Filtri Carburante
Filtri Acqua Aria
Filtri e Cartucce Benzina
Sistemi Depurazione Gasolio
Candele
Tappi di Coperta
Serbatoi Carburante
Serbatoi Portatili Carburante
Serbatoi Carburante Grande Portata
Innesti Motore Carburante
Ricambi e Accessori per Serbatoi e Imbuti Nuatici
Accessori per Motori Fuoribordo
Alette Stabilizzatrici
Antifurti, Piastre Proteggipoppa
Cavalletti Porta Motore
Copri Motori
Giranti per Motori Fuoribordo
Supporti Antivibranti
Eliche Motori
Eliche SOLAS in Alluminio
Eliche SOLAS in Acciaio Inox
Eliche Solas DUOPROP
Eliche in Alluminio POLASTORM
Kit Multifit e Parastrappi Solas
Accessori per Eliche
Marmitte e Antisifoni
Sfiati Carburante Inox Ottone Plastica
Cuffie Lavaggio Motori e Barre Prolunghe
Boccole Nautiche per Assi Portaelica
Chiavette di Sicurezza Motori
Fonoassorbenti Fonoisolanti Termoisolanti
Soffietti Manicotti Motori
Tubi Carburante
Ricambi Motori
Ricambi Motori MERCRUISER
Ricambi Motori OMC, VOLVO
Ricambi Motori BRP, MERCURY
Invertitori Twin Disc - Technodrive
Giranti per Motori Entrobordo
Supporti, Parastrappi, Trasmissioni
Tubi Protezione Cavi, Passacavi
VELA E SPORT ACQUATICI
Vela e Accessori Vela
Bozzelli Antal, Tersma e HS
Bozzelli Avvolgitori Ubi Maior
Bozzelli Pastecche Barton
Bozzelli, Pastecche, Stopper Lewmar
Bozzelli Viadana
Carrucole, Strozzascotte, Passascotte, Ponticelli
Maniglie e Porta Maniglie Winch
Serravele, Copricrocetta, Segnavento, Inclinometri
Carrelli Genoa e Spin
Winch e Accessori per Winch
Vang Rigidi
Delfiniere
Attrezzature per Testa Albero
Aghi per Impiombature
Tendistralli Vangs e Avvolgifiocco
Coperture e Tasche per Winch e Manovelle
Stick e Maniglie per Trapezio
Sport Acquatici
SUP Tavole Gonfiabili
Gonfiabili da Traino
Wakeboard e Sci Nautici
Attrezzatura e Accessori per lo Snorkeling
Accessori per Trainabili e Sci
Kayak
Sacche Stagne
Attrezzature per Testa Albero
OGGETTISTICA E ARREDO
Stoviglie Posacenere Portabicchieri
Bicchieri Magnetici SILWY
Stoviglie e Arredo MARINE BUSINESS
Piatti e Bicchieri TOP CLASS
Stoviglie Bicchieri e Arredo PLASTIMO
Stoviglie Bicchieri Arredo OSCULATI
Accessori in Teak
Buste e Custodie
Accessori Anti Gabbiani
Biciclette
Reti di Protezione e Porta Oggetti
Tappeti in Tessuto e in Corda
Sedie, Sedute, Coperture, Tavoli
Supporti per Tavolo
Portachiavi
Arredo Bagno
Arredo Camera
Casseri e Gavoni
Lenzuola, Asciugamani, Teli
Marine Business Harmony
Marine Business Party
Lampade Elettriche OLD NAVY
Ferramenta Arredo e Cornici
I miei preferiti
Login
Registrati
OFFERTE SPECIALI
Marche
Blog
SPEDIZIONE GRATUITA PER ORDINI SUPERIORI A 199€
Ogiva zinco side power
prezzo
€ 24,16
€ 40,26
-40%
Aggiungi
Ogiva zinco side power
Descrizione
Richiedi info
Opinioni
prezzo
€ 24,16
€ 40,26
-40%
Aggiungi
Anodi Sacrificali per Motori
HOME
RIMESSAGGIO E MANUTENZIONE
Anodi e Zinchi
Anodi Sacrificali per Motori
-40%
Ogiva zinco side power
Marca:
ENRICO POLIPODIO
-
Codice:
2626199
(0)
€ 24,16
€ 40,26
-40%
Risparmi € 16,10
iva inclusa
Scegli il modello
Ogiva zinco side power
Ogiva alluminio side power
Ordina entro le ore 12:00 per ricevere la merce entro il giorno
13/01/2026
quantità
Richiedi Disponibilità
Aggiungi al carrello
Aggiungi ai preferiti
Scrivi recensione
Invia ad un amico
Condividi
Pagamenti rapidi e in totale scurezza
Spedizione gratuita per ordini superiori a 199€
Assistenza clienti tramite whatsapp
Acquisti rapidi senza registrazione
Codice
Titolo
2626199
Ogiva zinco side power
Descrizione
Richiedi Informazioni
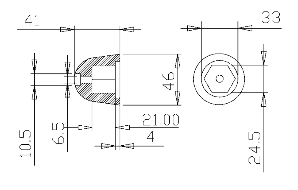
Ogiva per Bow Trust SIDE POWER dim.Ø esterno mm. 46 esagono interno mm. 33 altezza mm.41
Opinioni dei clienti
Devi
accedere
per poter scrivere la tua opinione.
Della stessa categoria
- 18%
Anodo alluminio Mercury/Mariner
Disponibile
€ 7,48
€ 6,11
- 5%
Ogiva Esagonale D 60 H 40
a partire da
€ 19,90
€ 18,90
- 40%
Piastra alpha one-alpha ii gen all.
Disponibile
€ 29,37
€ 17,62
- 15%
Anodo bracciale assi 2"1/4 al
Non disponibile
€ 56,73
€ 48,22
- 40%
Piastrina zn 90-115 hp df115-140
Disponibile
€ 8,81
€ 5,29
- 15%
Anodo magnesio Yamaha mm 80x58
Disponibile
€ 27,06
€ 23,00
- 21%
Anodo Bow Truster Ø mm 29x20
Disponibile
€ 20,91
€ 16,61
- 40%
Collare duo prop 290 h mm. 30 all.
Disponibile
€ 24,96
€ 14,98
×
Ogiva zinco side power
Compilato con i tuoi dati per essere informato appena il prodotto torna disponibile
Nome
Cognome
Email
×
Ogiva zinco side power
×
Invia ad un amico
×
Custom form
Pagamenti rapidi e in totale scurezza
Spedizione gratuita per ordini superiori a 199€
Assistenza clienti tramite whatsapp
Acquisti rapidi senza registrazione
Email Newsletter
Iscriviti gratuitamente alla nostra newsletter
Iscriviti
Accetto trattamento dati personali (
Link
)
P.IVA 02034060406
Software Ecommerce
by Daisuke®
Newsletter Popup