SPEDIZIONE GRATUITA PER ORDINI SUPERIORI A 199€
Interruttori e Spie
-39%

Interruttore Airpax magnetoidraulico 15 A

€ 19,29 € 31,57 -39%
iva inclusa
Ordina entro le ore 12:00 per ricevere la merce entro il giorno 08/06/2026
quantità
Codice Titolo Capacità A Variante Alimentazione universale
14.736.15 Interruttore Airpax magnetoidraulico 15 A 15 Interruttore con levetta sporgente DC/AC 12/220 V
Espressamente studiati per uso marino. L’interruttore stacca istantaneamente, in caso di forte sovraccarico (esempio:corto circuito) mentre per sovraccarichi fino al 50% resta inserito per alcuni secondi affinché se questo é connesso ad un evento occasionale, abbia il tempo di rientrare nei limiti senza interrompere la corrente. In caso di corto circuito, l’interruttore non può essere reinseribile se non viene eliminato il problema.

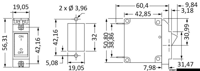
- Interruttore con levetta sporgente - Attuatore a levetta basculante, serie IAG universale 12/220 V, incasso frontale nel pannello, Ø 16 mm.
- Interruttore con levetta a filo con montaggio orizzontale o verticale - Attuatore piatto a bascula a filo, con indicazione ottica colorata in posizione"OFF”. Serie IEGB universale 12/220 V, incasso frontale nel pannello 32x19 mm.

Della stessa categoria

Email Newsletter

Iscriviti gratuitamente alla nostra newsletter
  • pagamenti